Telephone No. 11

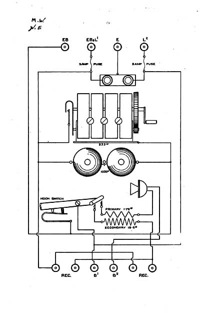
A later Western Electric phone, again fitted with the Delville transmitter that was used until the White solid-back transmitter was introduced.

 

 

 

 

 

 

 

 

 

 

 

 

 

 

 

 

 

 

 

 

 

 

 

 

 

To Tele No 13

To Tele No 9

To QuickFind

If you have reached this page through a Search Engine, this will take you to the front page of the website